
Detala Produkta Priskribo
| Avantaĝo: | Alta Rapido | Etikeda Rapideco: | 60-200pcs / min |
|---|---|---|---|
| Funkcio: | Ahesive Sticker Labeling | Materialo: | Senrusta ŝtalo |
| Botela Tipo: | Aŭtomata Ronda Botela Etikeda Vazo | Apliko: | Por Ĉiaj Rondaj Ujoj |
| Plc Marko: | MITSUBISHI (Japanio) | Servo-Etikeda Motoro: | DELTA (Tajvano) |
etikedmaŝino de ruĝa vino vitra etikedmaŝino, PLC-kontrola sistemo MITSUBISHI-markila maŝino
Trajtoj:
1. Operacio: PLC-kontrolsistemo faciligas operacian etikedadon
2. Materialo: La ĉefa korpo de etikedmaŝino estas el rustorezista ŝtalo SUS304
3. Agordo: Niaj etikedaj maŝinoj adoptas konatajn japanajn, germanajn, amerikajn, koreajn aŭ tajvanajn markajn partojn
4. Fleksebleco: Kliento povas elekti aldoni presilon kaj kodmaŝinon; povas elekti konekti kun konvertilo aŭ ne.
Teknikaj parametroj:
| Nomo | Aŭtomata ronda vinbotelo por altrapida maniko ŝrumpas rondan botelan etikedmaŝinon |
| Etikeda Rapideco | 60-350pcs / min |
| Alteco de Objekto | 30-350mm |
| Dikeco de Objekto | 20-120mm |
| Alteco de Etikedo | 5-180mm |
| Longo de Etikedo | 25-300mm |
| Etikeda Rulilo Interna Diametro | 76mm |
| Etikeda Rulilo Ekstere de Diametro | 420mm |
| Precizeco de Etikedado | ± 1mm |
| Elektroprovizo | 220V 50 / 60HZ 3,5KW |
| Gasa Konsumo de Presilo | 5Kg / m2 (se aldoni kodan maŝinon) |
| Grandeco de Etikeda Maŝino | 2800 (L) × 1650 (L) × 1500 (H) mm |
| Pezo de Etikeda Maŝino | 180kg |
Agordo
| Ne. | Parto | marko | kvanto |
| 1 | PLC | MITSUBISHI (Japanio) | 1 |
| 2 | Ĉefa konvertilo | DANFOSS (Danio) | 1 |
| 4 | HMI | WEINVIEW (Tajvano) | 1 |
| 5 | Servo-etikedado de motoro | DELTA (Tajvano) | 1 |
| 6 | Servo-etikedado de motora pelilo | DELTA (Tajvano) | 1 |
| 7 | Transportilo | HY (Tajvano) | 1 |
| 8 | Transportila motora skatolo | HY (Tajvano) | 1 |
| 9 | Divida botela motoro | GPG (Tajvano) | 1 |
| 10 | Dividanta botela motora skatolo | GPG (Tajvano) | 1 |
| 11 | Botelo apartiganta motoran rapidecregilon | GPG (Tajvano) | 1 |
| 12 | Spokis motoron | GPG (Tajvano) | 1 |
| 13 | Spokita motora skatolo | GPG (Tajvano) | 1 |
| 14 | objekto detekti magian okulon | OMRON (Japanio) | 1 |
| 15 | optika fibro | OMRON (Japanio) | 1 |
Maŝina detalo:

32 ĉefaj etikedaj maŝinpartoj

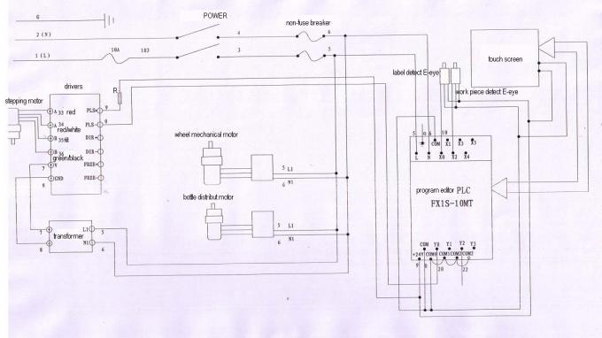
Cirkvita diagramo

OFTAJ DEMANDOJ:
1.etikedo ricevas vezikojn
Kialoj:
① senŝeligi tabulon ne estas bona / ne plata;
② plugilo ne estas bona / ne plata;
③ etiketa eligo estas tro rapida aŭ la rapideco de muntoĉeno estas tro malalta;
④ la etikedo estas tirita tro malfiksita
Solvoj:
① ŝanĝi platan senŝeligi tabulon;
② ŝanĝi platan plugplaton;
③ malrapidigi la etiketan produktan rapidon aŭ pliigi la rapidon de muntoĉeno;
④ efike trafu la etikedan zonon.
Etikedo: industria etikedmaŝino, vitrobotela etikedmaŝino









